Trunk Mount Amplifier
(120-1975A)
Catalog Listing
FaxBack Doc. # 31136
Exploded Views/Parts List
30075
Detailed Parts List
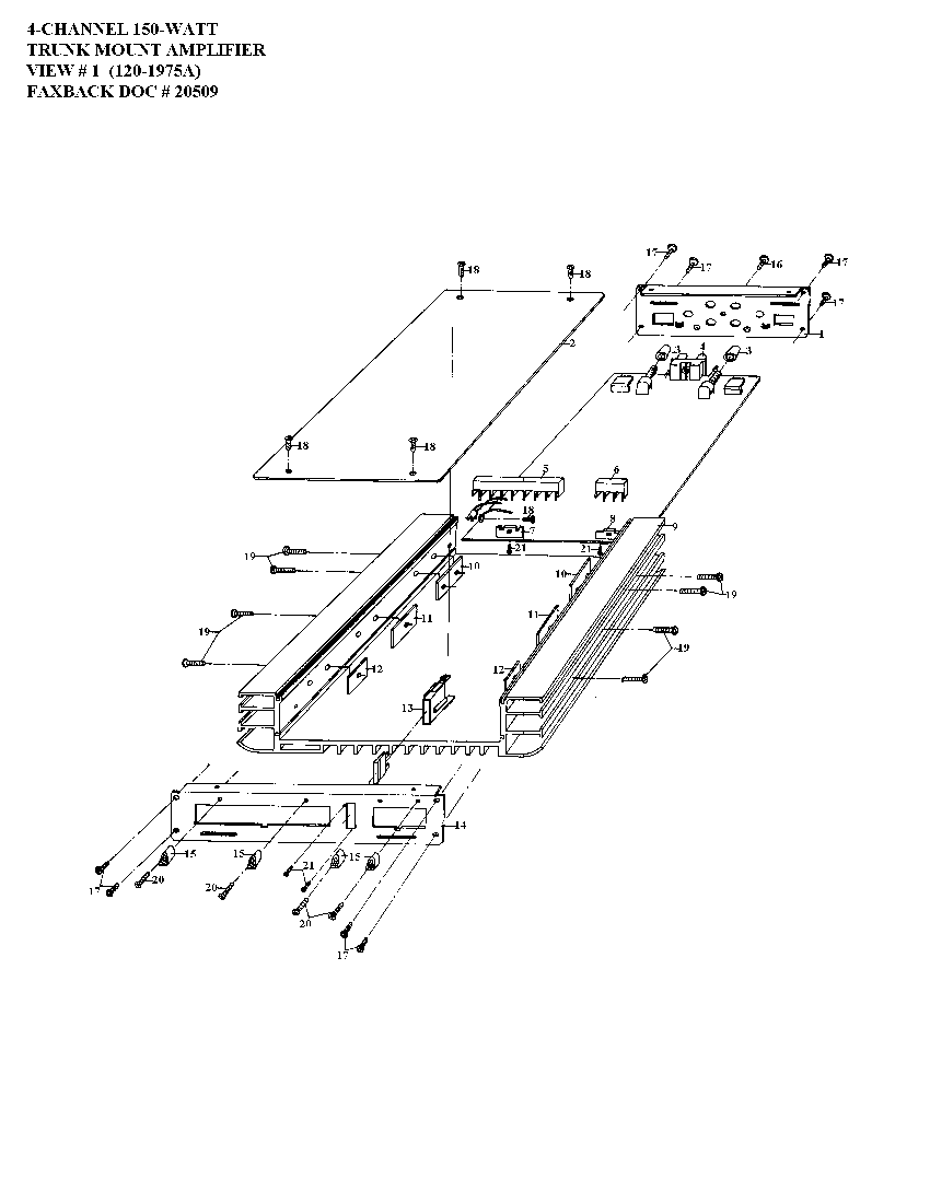
20509
Exploded View #1
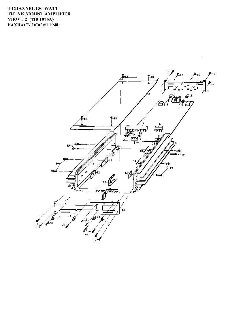
11948
Exploded View #2
Faxback
Document Retrieval System (800) 323-6586.
Back to the
Support Library Home Page